LPDDR 和 DDR 内存测试

Choose Category
Turn-On & ValidationTurn-On & Validation
Tuning & Pre-ComplianceTuning & Pre-Compliance
Compliance TestingCompliance Testing
What's New?What's New?
Equipment ListEquipment List
ResourcesResources
">
上电和验证上电和验证
调整和预合规性测试调整和预合规性测试
合规性测试合规性测试
哪些是新的?哪些是新的?
设备清单设备清单
资源中心资源中心
"WaveMaster

Fastest Journey From DDR Turn-On Through DDR Compliance Testing

Accelerate the journey to final product with the right tools to quickly test every stage of Double Data Rate (DDR) and Low Power DDR (LPDDR) designs, from initial turn on through JEDEC compliance testing.

  • Maximize DDR operation from initial turn-on through validation
  • Accelerate DDR pre-compliance testing and fine tuning
  • Comprehensive DDR compliance testing

">
"WaveMaster
">
WaveMaster 8000HD 示波器,带 HDA125 逻辑分析仪一致性测试和调试 DDR 和 LPDDR 存储器

从 DDR 上电到 DDR 合规性测试的更快进程

使用正确的工具快速测试双倍数据速率 (DDR) 和低功耗 DDR (LPDDR) 设计的每个阶段(从初始上电到 JEDEC 合规性测试),加快最终产品的开发进程。

  • 从初始上电到验证,最大化 DDR 运行性能
  • 加速 DDR 预合规性测试和微调
  • 全面的 DDR 合规性测试

DDR 测试可最大限度地提高 DDR 从初始上电启动到验证的运行效率

正确的示波器工具可支持 DDR 和 LPDDR 电气验证、JEDEC 合规性测试以及在设计的多个阶段进行调试。Teledyne LeCroy 可缩短调试时间,并帮助您找到通常被忽视的错误。

"WaveMaster
"Teledyne
"Teledyne
"Teledyne

Establishing basic operation, signal checks and validating responses is foundational during board turn-ons. This means knowing if signals look correct, if the signals are communicating, if the command bus is operational, are voltage and timing settings in the right magnitude of error, do channels show both Read and Write packets. These early steps are critical and require simple, dedicated tools built just for this phase of memory design. This isn’t compliance, it’s more than that.

  • Do the signals out of the DRAM (Read) or Controller (Write) look correct?
  • Are initial voltage and timings details in the right locations?
  • Is the command bus communicating correctly?

Minimizing probe and interposer impacts on your design is critical to maximize DDR signal quality into your oscilloscope. Teledyne LeCroy DH Series Probes are low-noise & low loading active probes with solder-in tips and QuickLink adapters. An interposer can further enhance signal quality by locating the test point close to the ball of the DRAM. Then, the probe and interposer combination can be de-embedded with Virtual Probe.

    JEDEC requires DDR measurements be performed at the ball of the DRAM (the BGA), or test location #1 in the image. If your probe location is currently at #2 (interposer) or #3 (mid-bus or at a VIA) the probe location can be moved virtually before beginning DDR validation or measurements.

    • De-embedding .2SP, .3SP and .6SP S-parameter files accounts for T-points with interposers and risers.
    • Virtual Probing can move the probe point to the memory controller to analyze stressed Read packets.
    • Remove issues caused by mid-bus probe locations
    • Read Blog Post Tutorial on Virtual Probing

    Probing setup errors, such as reflections, can be confused with DDR design quality. Teledyne LeCroy’s Virtual Probe @ Receiver can be used to eliminate reflections and give you a better picture of your actual DDR design performance.

    • Remove termination problems with Virtual Probe at the receiver (VP@RCVR).

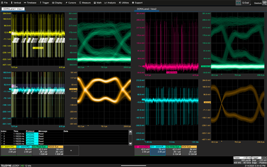
    Teledyne LeCroy's HDA125 Logic Analyzer probes DDR command addresses digitally and conserves analog oscilloscope channels for other signals. DDR protocol decode and trigger can be used on these digitally probed signals to isolate DDR activities and data signals for faster debug. The HDA125 Logic Analyzer supports the highest 8400 MT/s DDR5 CMD address lines for decode and triggering.

    • Industries only Decode & Trigger up to DDR5
    • Decode JEDEC's Command Truth Table
    • Perform better R/W separation, the command bus knows the packet locations
    • Overlay R/W Visuals on Channels
    ">
    专属工具包
    WaveMaster 8000HD示波器和 Summit T516 分析仪连接到 CrossSync PHY 内插器以进行 PCIe 调试
    Teledyne LeCroy DDR 虚拟探测去嵌入中介层和探针位置的框图
    消除中间总线反射和终止问题后的 Teledyne LeCroy DDR 眼图。
    Teledyne LeCroy 示波器显示大多数 DDR 和 LPDDR 命令地址信号的 DDR 总线解码和触发

    建立基本操作、信号检查和验证响应是电路板启动的基础。这意味着要知道信号看起来是否正确、信号是否正在通信、命令总线是否正常运行、电压和定时设置是否在正确的误差范围内、通道是否同时显示读取和写入数据包。这些早期步骤至关重要,需要专门为内存设计的这一阶段构建简单的专用工具。这不是合规性测试,而是需要更多的调试。

    • 来自 DRAM(读)或控制器(写)的信号看起来正确吗?
    • 初始电压和时序详细信息是否位于正确的位置?
    • 命令总线通信是否正确?

    DH Series Probes are low-noise & low loading active probes with solder-in tips and QuickLink adapters. An interposer can further enhance signal quality by locating the test point close to the ball of the DRAM. Then, the probe and interposer combination can be de-embedded with Virtual Probe." data-gt-human-content="true">要最大限度地提高示波器的 DDR 信号质量,就必须最大限度地减少探头和interposer 对设计的影响。Teledyne LeCroy DH 系列探头是低噪声和低负载有源探头,带有焊接前端和 QuickLink 适配器,Interposer 通过将测试点放置在靠近 DRAM ball的位置,可以进一步增强信号质量。 然后,可以使用虚拟探测对探头和interposer 进行去嵌。

      JEDEC 要求在 DRAM BALL(BGA)或图片中的 1 号测试位置进行 DDR 测量。如果您的探针位置目前位于 #2(interposer)或 #3(总线中段或 VIA),则可以在开始 DDR 验证或测量之前虚拟移动探针位置。

        Read Blog Post Tutorial on Virtual Probing">
      • 对 .2SP、.3SP 和 .6SP S 参数文件进行去嵌时,会考虑到带有interposers和risers的 T 点
      • 虚拟探测可将探测点移至内存控制器,以分析压力较大的读取数据包
      • 消除由探针位置在总线中间引起的问题
      • 阅读博客文章虚拟探测教程

      探测设置错误(例如反射)可能会与 DDR 设计质量相混淆,Teledyne LeCroy 的 Virtual Probe @ Receiver 可用于消除反射,让您更好地了解实际 DDR 设计性能。

      • 使用虚拟探测消除接收端端接问题 (VP@RCVR)。

      Teledyne LeCroy 的 HDA125 逻辑分析仪以数字方式探测 DDR 命令地址,并为其他信号保留示波器模拟通道。 DDR 协议解码和触发可用于这些数字探测信号,以隔离 DDR 活动和数据信号,从而加快调试速度。 HDA125 逻辑分析仪支持用于解码和触发的最高 8400 MT/s DDR5 CMD 地址线。

      • 适用于 DDR5 以下的解码和触发
      • 解码 JEDEC 的命令真值表
      • 执行更好的 R/W 分离,命令总线知道数据包位置
      • 在通道上叠加 R/W 视觉效果
      DDR and LPDDR Debug Toolkits help you better understand LPDDR and DDR operation and improve your LPDDR and DDR memory testing.

        ">
        DDR and LPDDR Debug Toolkits help you better understand LPDDR and DDR operation and improve your LPDDR and DDR memory testing.

          ">

          加速 DDR 内存测试——从预合规测试到精细调整

          DDR and LPDDR Debug Toolkits help you better understand LPDDR and DDR operation and improve your LPDDR and DDR memory testing.">当电压、时序和数据包参数在设计中充分发挥其潜力时,DDR 和 LPDDR 内存的运行稳定性就会得到优化。Teledyne LeCroy 的 DDR 和 LPDDR 调试工具包帮助您更好地了解 LPDDR 和 DDR 操作并改进您的 LPDDR 和 DDR 内存测试。

            "Teledyne
            ">
            Teledyne LeCroy DDR 预合规性优化进度测试

            Multiple Scenario Viewing

            "Teledyne

            Eye Diagram, Mask Testing & JEDEC Specific Measurements

            • Interactive user Toolkit
            • Eye Diagram & Mask Testing
            • JEDEC or custom masks
            • “Failures” on mask analysis
            • LPDDR and DDR specific measurements
            "Teledyne

            Highest R/W Accuracy

            • Decode the command address
            • Know exactly where R & W occur
            • Upgradable external logic analyzer
            • Lowest capacitance loading (6x lower than competitors)
            ">

            DDR 调试工具包特性和功能

            DDR 调试工具包为用户提供了按需构建测试场景的能力,支持多个分析区域的设置,可对命令总线进行解码与触发,并通过符合 JEDEC 标准的眼图、模版测试以及 DDR 专用测量功能,深入优化设计阶段。

            Multiple Scenario Viewing

            • Layout 4 unique testing situations
            • Before vs. after signal comparisons
            • De-Embedding vs. Original
            • Read and Write Strobe-Clock Compares
            • Measurement Comparisons
            ">
            Teledyne LeCroy DDR LPDDR 工具包具有多种场景视图

            多场景查看

            • 布局4种独特的测试场景
            • 之前vs. 之后的信号比较
            • 去嵌vs. 原始
            • 读写时钟比较
            • 测量比较

            Eye Diagram, Mask Testing & JEDEC Specific Measurements

            • Interactive user Toolkit
            • Eye Diagram & Mask Testing
            • JEDEC or custom masks
            • “Failures” on mask analysis
            • LPDDR and DDR specific measurements
            ">
            Teledyne LeCroy DDR LPDDR 眼图和模板通过测试

            眼图、模板测试和 JEDEC 特定测量

            • 交互式用户工具包
            • 眼图和模板测试
            • JEDEC 或定制眼图模版
            • 眼图分析的“Failures”
            • LPDDR 和 DDR 特定测量

            Highest R/W Accuracy

            • Decode the command address
            • Know exactly where R & W occur
            • Upgradable external logic analyzer
            • Lowest capacitance loading (6x lower than competitors)
            ">
            Teledyne LeCroy DDR LPDDR 使用命令地址提供最高的读写数据包分离

            更高的读/写分离精度

            • 解码命令地址
            • 准确了解 R & W 发生的位置
            • 可升级的外部逻辑分析仪
            • 最低电容负载(比竞争对手低 6 倍)

            Full Automation Coverage for JEDEC DDR Compliance Test

            Perform compliance tests quickly and efficiently with full reporting of results.
            "DDR

            Transition Quickly to DDR Debug Toolkit Setup from Compliance Test

            DDR Debug Toolkit provides test, debug and analysis tools for the entire DDR design cycle.
            • Configure all necessary DDR test setup parameters within the DDR Debug Toolkit
            • Quickly determine optimized test setup for best DDR signal fidelity
            • Copy DDR Debug Toolkit test setup to QualiPHY 2 compliance test options and save setup time
            "QualiPHY

            Validation and Compliance in a Fraction of the Time Using QualiPHY 2

            The most intuitive and efficient compliance testing, with offline analysis for more productivity.
            • Simplified test interface – easy to understand and operate
            • Compliance on time from anywhere – in lab or offline (outside of lab)
            • Share test setups from DDR Debug Toolkit
            ">

            全面的 DDR 内存测试,满足 JEDEC DDR 合规性和调试要求

            实现LPDDR 和 DDR 合规性测试自动化,从而缩短测试时间并减少错误。使用共享测试设置,快速在 DDR 调试工具包根本原因故障分析和合规性测试之间切换。

            Full Automation Coverage for JEDEC DDR Compliance Test

            Perform compliance tests quickly and efficiently with full reporting of results.
            ">
            在 DRAM 球上进行 JEDEC DDR 内存测试,以进行 DDR 一致性测试和 DDR 眼图创建。

            JEDEC DDR 合规性测试的全面自动化覆盖

            快速有效地执行合规性测试并完整报告结果。

            Transition Quickly to DDR Debug Toolkit Setup from Compliance Test

            DDR Debug Toolkit provides test, debug and analysis tools for the entire DDR design cycle.
            • Configure all necessary DDR test setup parameters within the DDR Debug Toolkit
            • Quickly determine optimized test setup for best DDR signal fidelity
            • Copy DDR Debug Toolkit test setup to QualiPHY 2 compliance test options and save setup time
            ">
            DDR 测试需要 DDR 一致性测试和 DDR PHY 调试,两种不同的 DDR 测试模式之间共享设置细节。

            从合规性测试快速过渡到 DDR 调试工具包设置

            DDR 调试工具包为整个 DDR 设计周期提供测试、调试和分析工具。
            • 在 DDR 调试工具包中配置所有必要的 DDR 测试设置参数
            • 快速确定优化的测试设置,以获得最佳的 DDR 信号保真度
            • 将 DDR 调试工具包测试设置复制到 QualiPHY 2 合规性测试选项可节省设置时间

            Validation and Compliance in a Fraction of the Time Using QualiPHY 2

            The most intuitive and efficient compliance testing, with offline analysis for more productivity.
            • Simplified test interface – easy to understand and operate
            • Compliance on time from anywhere – in lab or offline (outside of lab)
            • Share test setups from DDR Debug Toolkit
            ">
            QualiPHY 2 图标

            使用 QualiPHY 2 在极短的时间内完成验证和合规性测试

            直观、高效的合规性测试,通过离线分析提高生产力。
            • 简化的测试界面——易于理解和操作
            • 随时随地按时测试——在实验室内或离线(实验室外)
            • 从 DDR 调试工具包共享测试设置
            Download MAUI Software
            Download QPHY Software

            ">
            Download MAUI Software
            Download QPHY Software

              " data-gt-human-content="true">

              下载最新的 Teledyne LeCroy DDR 测试软件

              随时了解 MAUI 示波器软件和 QualiPHY 合规性测试软件升级的最新 DDR 合规性和调试测试特性和功能。

              DDR 内存测试更新

              2025 年 5 月

              • 增加了对 LPDDR5/5X 信号的支持,速度高达 8533 MT/s

              2025 年 8 月

              • 在 QualiPHY 2 框架中添加了 LPDDR5 和 LPDDR5X 合规性测试支持
              • QualiPHY 2 框架现已支持 DDR5 合规性测试

              其他最新更新

              • 在 QualiPHY 合规性测试软件中增加了更多针对 DDR5 的测量
              • 添加了 QualiPHY DDR5 系统级合规性测试
              • 增加了 LPDDR4X 支持和模版测试
              • 增加了针对 LPDDR4X 的 QualiPHY 合规性测试
              • 更新了三阶信号的 LPDDR4/4X 读/写算法

                "DDR
                ">
                DDR 测试显示 LPDDR5 读/写分离

                推荐用于 DDR 测试的 DDR 示波器、探头和软件

                请参考下面的标签和链接,了解更多有关用于 DDR 测试的 Teledyne LeCroy 产品,以及合作伙伴的interposers或测试服务的信息。

                "Teledyne
                "Teledyne
                "Teledyne
                "Teledyne
                ">
                Teledyne LeCroy 建议使用示波器、探头、内插器和软件进行 DDR 电气验证、一致性测试和调试
                Teledyne LeCroy 建议使用示波器、探头、内插器和软件进行 DDR 电气验证、一致性测试和调试
                Teledyne LeCroy 建议使用示波器、探头、内插器和软件进行 DDR 电气验证、一致性测试和调试
                Teledyne LeCroy 建议使用示波器、探头、内插器和软件进行 DDR 电气验证、一致性测试和调试
                Teledyne LeCroy 建议使用示波器、探头、内插器和软件进行 DDR 电气验证、一致性测试和调试

                资源中心

                Technical Docs

                Name

                LPDDR5 Datasheet

                QualiPHY 2 (QPHY2-LPDDR5) datasheet outlines testing capabilities, ordering information and more for engineers interested in memory design.

                Datasheet

                DDR5 Datasheet

                Test all stages of design for DDR5 System Level (at the BGA). This Datasheet outlines tools made for early turn-on through QualiPHY automated compliance testing. Perform debugging and compliance style measurements outlined by the JEDEC. Read about required equipment and ordering information.

                Datasheet

                DDR4/LPDDR4/LPDDR4X Datasheet

                QualiPHY (QPHY-DDR4) Datasheet outlines testing capabilities, ordering information and more for engineers interested in memory design.

                Datasheet

                DDR3/DDR3L/LPDDR3 Datasheet

                QualiPHY (QPHY-DDR3) Datasheet outlines testing capabilities, ordering information and more for engineers interested in memory design.

                Datasheet

                DDR2 Datasheet

                QualiPHY (QPHY-DDR2) Datasheet outlines testing capabilities, ordering information and more for engineers interested in memory design.

                Datasheet

                LPDDR2 Datasheet

                QualiPHY (QPHY-LPDDR2) Datasheet outlines testing capabilities, ordering information and more for engineers interested in memory design.

                Datasheet

                DDR & LPDDR Debugging Toolkit Datasheet

                LPDDR and DDR Debug supported all stages of design for DDR 2/3/4/5 and LPDDR2/3/4/4X/5/5X and allows for deep troubleshooting.

                Datasheet
                DDR5 Memory Test and Read-Write Separation
                LPDDR5 Test & Debug with the LPDDR5-TOOLKIT
                LPDDR5 Electrical Compliance Test Overview – QPHY2-LPDDR5
                How to Copy DDR Debug Toolkit Settings to QualiPHY 2

                Become an Expert in DDR Memory Physical Layer Testing for DDR Debug, Compliance and Validation

                Join Teledyne LeCroy for this masterclass webinar series to learn about the basics of DDR testing with oscilloscopes, including common test preparation and challenges, the difference between compliance and debug test tools, and practical tips and techniques to increase your DDR validation efficiency and apply the correct debug tools.

                Register for all

                In this webinar, we'll be offering a comprehensive introduction to DDR interfaces along with the challenges encountered during testing. We will focus particularly on distinguishing between validation and compliance testing requirements, as well as preparing for DDR memory testing.

                In this webinar, we get specific on how to address real-world probing and connectivity issues that impact DDR measurement capabilities. We will provide examples of what to do or not do and a pre-compliance test checklist will be reviewed.

                In this webinar, we provide practical advice on overcoming DDR test challenges using debug tools. Topics include real-world DDR debugging examples like logic, soldering, and power supply issues, DDR read/write separation, eye pattern formation, and addressing missing clock cycles. We'll also discuss DDR eye patterns, jitter in multiple scenarios, hardware-based read-write separation, and virtual probing techniques.

                In this webinar, we will we provide details on how the JEDEC DDR5 and LPDDR5 specification and test requirements are different from previous versions of DDR, and how you can optimize your DDR5 and LPDDR5 memory testing.

                Name

                DDR4/LPDDR4/LPDDR4X Instruction Manual

                QualiPHY (QPHY-DDR4) Instruction Manual for step-by-step instruction on how to operate and test the DDR4, LPDDR4, LPDDR4X DRAM standards.

                Product Manual

                DDR3/DDR3L/LPDDR3 Instruction Manual

                QualiPHY (QPHY-DDR3) Instruction Manual for step-by-step instruction on how to operate and test the DDR3, DDR3L, LPDDR3 DRAM standards.

                Product Manual

                DDR & LPDDR Debugging Toolkit Instruction Manual

                DDR Debug supported all DDR 2/3/4/5 and LPDDR2/3/4/4X/5 and allows for troubleshooting tough problems. This manual helps you use the tool to it’s full potential

                Product Manual

                DDR2 Instruction Manual

                QualiPHY (QPHY-DDR2) Instruction Manual for step-by-step instruction on how to operate and test the DDR2 DRAM standard.

                Product Manual

                LPDDR2 Instruction Manual

                QualiPHY (QPHY-LPDDR2) Instruction Manual for step-by-step instruction on how to operate and test the LPDDR2 DRAM standard.

                Product Manual

                QPHY2-DDR5-SYS Instruction Manual

                QualiPHY 2 (QPHY2-DDR5-SYS) Instruction Manual for step-by-step instruction on how to operate and test the DDR5 standard.

                Product Manual

                QPHY2-LPDDR5 Instruction Manual

                QualiPHY 2 (QPHY2-LPDDR5) Instruction Manual for step-by-step instruction on how to operate and test the LPDDR5 standard.

                Product Manual
                ">
                Datasheet">
                姓名

                DDR5 Datasheet

                Test all stages of design for DDR5 System Level (at the BGA). This Datasheet outlines tools made for early turn-on through QualiPHY automated compliance testing. Perform debugging and compliance style measurements outlined by the JEDEC. Read about required equipment and ordering information.

                Datasheet

                DDR4/LPDDR4/LPDDR4X Datasheet

                QualiPHY (QPHY-DDR4) Datasheet outlines testing capabilities, ordering information and more for engineers interested in memory design.

                Datasheet

                DDR3/DDR3L/LPDDR3 Datasheet

                QualiPHY (QPHY-DDR3) Datasheet outlines testing capabilities, ordering information and more for engineers interested in memory design.

                Datasheet

                DDR2 Datasheet

                QualiPHY (QPHY-DDR2) Datasheet outlines testing capabilities, ordering information and more for engineers interested in memory design.

                Datasheet

                LPDDR2 Datasheet

                QualiPHY (QPHY-LPDDR2) Datasheet outlines testing capabilities, ordering information and more for engineers interested in memory design.

                Datasheet

                DDR & LPDDR Debugging Toolkit Datasheet

                LPDDR and DDR Debug supported all stages of design for DDR 2/3/4/5 and LPDDR2/3/4/4X/5/5X and allows for deep troubleshooting.

                Datasheet

                LPDDR5 数据表

                QualiPHY 2 (QPHY2-LPDDR5) 数据表概述了测试功能、订购信息以及更多对内存设计感兴趣的工程师的信息。

                产品规格书

                DDR5 数据表

                测试 DDR5 系统级设计的所有阶段(在 BGA 处)。 本数据表概述了通过 QualiPHY 自动合规性测试实现早期开启的工具。 执行 JEDEC 概述的调试和合规性测量。 了解所需设备和订购信息。

                产品规格书

                DDR4/LPDDR4/LPDDR4X 数据表

                QualiPHY (QPHY-DDR4) 数据表为对内存设计感兴趣的工程师概述了测试功能、订购信息等。

                产品规格书

                DDR3/DDR3L/LPDDR3 数据表

                QualiPHY (QPHY-DDR3) 数据表为对内存设计感兴趣的工程师概述了测试功能、订购信息等。

                产品规格书

                DDR2 数据表

                QualiPHY (QPHY-DDR2) 数据表为对内存设计感兴趣的工程师概述了测试功能、订购信息等。

                产品规格书

                LPDDR2 数据表

                QualiPHY (QPHY-LPDDR2) 数据表为对存储器设计感兴趣的工程师概述了测试功能、订购信息等。

                产品规格书

                DDR 和 LPDDR 调试工具包数据表

                LPDDR 和 DDR 调试支持 DDR 2/3/4/5 和 LPDDR2/3/4/4X/5/5X 并允许进行深度故障排除。

                产品规格书
                DDR5内存测试与读写分离
                使用 LPDDR5-TOOLKIT 进行 LPDDR5 测试和调试
                LPDDR5 电气一致性测试概述 – QPHY2-LPDDR5
                如何将 DDR 调试工具包设置复制到 QualiPHY 2

                成为 DDR 内存物理层测试专家,进行 DDR 调试、合规性和验证

                与 Teledyne LeCroy 一起参加这个大师级网络研讨会系列,了解使用示波器进行 DDR 测试的基础知识,包括常见的测试准备和挑战、合规性测试工具和调试测试工具之间的差异,以及提高 DDR 验证效率和应用正确方法的实用技巧和技术。调试工具。

                全部注册

                在本次网络研讨会中,我们将全面介绍 DDR 接口以及测试过程中遇到的挑战。我们将重点讲解如何区分验证测试和合规性测试要求,以及如何准备 DDR 内存测试。

                本次网络研讨会将详细介绍如何解决实际应用中影响 DDR 测量能力的探测和连接问题。我们将提供一些示例,说明哪些操作可以做,哪些操作不能做,并回顾一份预合规测试清单。

                在本次网络研讨会中,我们将提供使用调试工具克服 DDR 测试挑战的实用建议。主题包括实际的 DDR 调试示例,例如逻辑、焊接和电源问题、DDR 读/写分离、眼图形成以及如何解决丢失的时钟周期。我们还将讨论 DDR 眼图、多种场景下的抖动、基于硬件的读写分离以及虚拟探测技术。

                在本次网络研讨会中,我们将详细介绍 JEDEC DDR5 和 LPDDR5 规范和测试要求与以前版本的 DDR 有何不同,以及如何优化 DDR5 和 LPDDR5 内存测试。

                Product Manual">
                姓名

                DDR3/DDR3L/LPDDR3 Instruction Manual

                QualiPHY (QPHY-DDR3) Instruction Manual for step-by-step instruction on how to operate and test the DDR3, DDR3L, LPDDR3 DRAM standards.

                Product Manual

                DDR & LPDDR Debugging Toolkit Instruction Manual

                DDR Debug supported all DDR 2/3/4/5 and LPDDR2/3/4/4X/5 and allows for troubleshooting tough problems. This manual helps you use the tool to it’s full potential

                Product Manual

                DDR2 Instruction Manual

                QualiPHY (QPHY-DDR2) Instruction Manual for step-by-step instruction on how to operate and test the DDR2 DRAM standard.

                Product Manual

                LPDDR2 Instruction Manual

                QualiPHY (QPHY-LPDDR2) Instruction Manual for step-by-step instruction on how to operate and test the LPDDR2 DRAM standard.

                Product Manual

                QPHY2-DDR5-SYS Instruction Manual

                QualiPHY 2 (QPHY2-DDR5-SYS) Instruction Manual for step-by-step instruction on how to operate and test the DDR5 standard.

                Product Manual

                QPHY2-LPDDR5 Instruction Manual

                QualiPHY 2 (QPHY2-LPDDR5) Instruction Manual for step-by-step instruction on how to operate and test the LPDDR5 standard.

                Product Manual

                DDR4/LPDDR4/LPDDR4X 使用说明书

                QualiPHY (QPHY-DDR4) 说明手册,分步说明如何操作和测试 DDR4、LPDDR4、LPDDR4X DRAM 标准。

                使用指导手册

                DDR3/DDR3L/LPDDR3 使用说明书

                QualiPHY(QPHY-DDR3)使用说明书,逐步指导如何操作和测试 DDR3、DDR3L、LPDDR3 DRAM 标准。

                使用指导手册

                DDR 和 LPDDR 调试工具包使用手册

                DDR 调试支持所有 DDR 2/3/4/5 和 LPDDR2/3/4/4X/5 并允许解决棘手的问题。 本手册可帮助您充分发挥该工具的潜力

                使用指导手册

                DDR2使用说明书

                QualiPHY (QPHY-DDR2) 说明手册,提供有关如何操作和测试 DDR2 DRAM 标准的分步说明。

                使用指导手册

                LPDDR2 使用说明书

                QualiPHY (QPHY-LPDDR2) 说明手册,提供有关如何操作和测试 LPDDR2 DRAM 标准的分步说明。

                使用指导手册

                QPHY2-DDR5-SYS 使用说明书

                QualiPHY 2 (QPHY2-DDR5-SYS) 使用说明书,提供有关如何操作和测试 DDR5 标准的逐步说明。

                使用指导手册

                QPHY2-LPDDR5 使用说明书

                QualiPHY 2 (QPHY2-LPDDR5) 使用说明书,提供有关如何操作和测试 LPDDR5 标准的逐步说明。

                使用指导手册

                需要帮助或信息?

                我们随时为您提供帮助并回答您可能遇到的任何问题。我们期待您的回音
                Signup for Updates
                ">