矢量网络分析仪 (VNA) + 时域反射仪 (TDR) 功能

WavePulser 40iX 高速互连分析仪通过单次采集提供对频域和时域强大的表征洞察力。

  • 测量 S 参数(如 VNA)
  • 测量阻抗曲线(如 TDR)
  • 结果的去嵌入、模拟、模拟和时间门控
  • 无需校准
  • 成本仅为 VNA 价格的一小部分
 
WavePulser 40iX 高速互连分析仪,可在电路板上执行矢量网络分析仪 (VNA) s 参数测量,例如回波损耗和插入损耗测量

强大的表征洞察力

混合模式和回波和插入损耗 S 参数的代表性图

S 参数测量

在一次采集中获得信号路径的完整表征:

  • 频率范围 DC 至 40 GHz
  • 单端和混合模式 S 参数
  • 测量回波损耗、插入损耗
  • 内部自动校准省时省力
使用时域反射仪 (TDR) 测量时域传输 (TDT) 生成的阻抗分布的代表性图

阻抗曲线测量

精确定位电路中的损伤:

  • 阻抗剖面空间分辨率 < 1 mm
  • 差模和共模阻抗曲线
  • TDR 和 TDT 能力
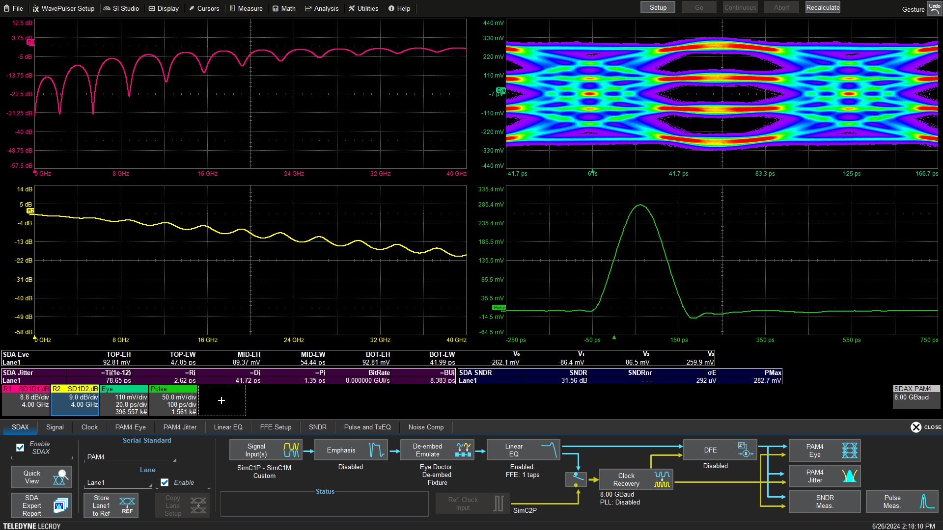
图标描述 WavePulser 40iX 高速互连分析仪能够使用 S 参数执行去嵌入并测量抖动和眼图

去嵌入、模拟、仿真等

WavePulser 40iX 软件通过其深度工具箱提供互连和电路的轻松分析和建模:

  • 去嵌入和时间门控
  • 具有均衡仿真的眼图
  • 高级抖动分析

视频

 
 
 
 
 
 
 

专为高速互连分析而设计

WavePulser 40iX 验证、调试和解决串行数据电缆、通道、连接器、过孔、背板、印刷电路板以及芯片和 SoC 封装中的互连问题。 它的设置和使用非常简单。它提供了与网络分析仪相同的结果,但价格只是其一小部分。

了解更多

查看网络研讨会

内部自动校准

WavePulser 40iX 校准标准是内置的,因此校准始终是自动、简单和快速的。 与需要购买额外的外部校准标准并需要手动连接进行校准的矢量网络分析仪相比。 基于 TDR/TDT 的方法也独立于设置,从而降低了校准频率。

了解更多

全范围 DC 至 40 GHz

WavePulser 40iX 提供时域反射计 (TDR) 阶跃响应和时间门控和/或仿真物理层响应,无需对直流和低频进行外推 - 是高速串行数据互连分析的理想选择。

混合模式 S 参数测量

一次采集显示所有测量结果:所有端口的混合模式回波和插入损耗; 差模和共模测量; 直流频率响应。 表格图形用户界面使阅读结果简单明了。

简单灵活的网络分析设置

一个简单的设置只需要输入频率和端口数量进行单端采集。 选择针对准确性或速度或介于两者之间的优化的测试时间。 可以在软件中重新配置端口,而无需重新连接到 DUT。 重新排序 Touchstone 文件中的 S 参数。

内部校准精度更高

内部电子校准允许更快地开始测量并更有信心地进行测量。 被动性、互易性和因果关系执行等功能确保了更高的 S 参数测量精度。

多个阻抗剖面图

WavePulser 40iX 支持差模阻抗曲线和混合模式测量,并可同时显示多种模式。 还可以查看阶跃响应、脉冲响应和反射系数等。

精确定位障碍

使用阻抗曲线来检测和定位高速串行数据互连中的常见问题:连接器松紧不当;损坏的电缆;不正确的电缆弯曲半径;传输线上的缺陷通孔; 其他传输线路异常。

优化效率

阻抗曲线检测和定位测量设置中的损伤,而不仅仅是在 DUT 上,帮助您提高工作效率。 了解何时需要重复校准,何时不需要。

时间门控和去嵌入

消除电缆和连接器对结果的影响。通过端口扩展或阻抗剥离算法设置门控,并保存包含或不包含门控区域的S参数。使用建模或测量的S参数对串行数据通道进行去嵌入处理。

快速眼图视图

导入或模拟波形,并使用S参数对损耗进行建模。通过直观的串行数据眼图快速查看损耗的影响。查看去嵌入和均衡对眼图的影响。支持PLL、预加重、去加重、CTLE、FFE和DFE。

高级抖动分析

测量总 (Tj)、随机 (Rj) 和确定性 (Dj) 抖动。 将确定性抖动分解为组成部分。 在频谱、直方图、抖动轨迹、眼图和其他图中查看抖动。

需要帮助或信息?

请填写此表格,让我们知道您是否愿意 订阅活动快讯,同 销售人员联系, 或者 索取方案演示