Introduction

The 10Base-T1S Trigger-Decode (TD) and Trigger, Decode, Measure/Graph & Eye Diagrams (TDME) options enable users to trigger on and decode Ethernet control and payload data from 10Base-T1S Automotive Ethernet signals. The decoding is color-coded to provide fast, intuitive understanding of the relationship between message frames and other time-synchronous events. Knowing the location of the various protocol elements makes it easy to measure Physical Layer Collision Avoidance (PLCA) cycle timing using either standard oscilloscope tools, or special serial bus measurements included with the TDME options.

Additionally, the 10Base-T1S TDME option automates the generation and display of eye diagrams. Eye diagrams are an important element of serial data analysis, used to understand the signal integrity of the communications network. Effects such as inter-symbol interference, jitter and crosstalk can be identified by viewing eye diagrams. Eye diagram analysis and measurements are generally made prior to performing any more specialized analysis.

PLCA Timing Measurements

PLCA timing parameters are measured to assure interoperability of the attached nodes in a mixed-segment, multidrop topology. This class of tests measures the timing between events on the bus relative to a specific bus event, usually the BEACON signal initiated by the Master node. The color-coded overlays of the decoder simplify these measurements by making it easy to recognize specific events like the BEACON signal and the other network responses.

Decoding of 10Base-T1S

Let's start with a simple example of a 10Base-T1S network with two nodes, the Master (Node 0) and a device at Node 3. The acquired waveform is shown in Figure 2, decoded using the 10Base-T1S TDME option. The top grid shows the complete acquisition, which consists mostly of BEACON signals over a record of twenty-five million samples. Toward the end of the acquisition are two packets from the other nodes. The table at the bottom of the screen lists all the elements decoded in the full acquisition.

duration of the BEACON signal

BEACON Duration

Once the desired entry is located in the table, clicking on that row will bring up a horizontally expanded zoom trace showing the selected entry in detail. In Figure 2, the packet from the Node ID # 3 is selected and expanded in zoom trace Z1, the second grid from top, making it easier to read the decoding. The duration of the BEACON signal can be estimated by using the Time column of the table, which reports the time at the beginning of the decoded element. Taking the difference between the start of the BEACON and the start of the following Silence, the duration of the BEACON is 2.1 µs.

Horizontal relative cursors can also be used to measure timing on the decoded signal with better precision. A good way to assure the best accuracy in a cursor measurement is to first zoom the trace being measured. Cursors are initially placed about the BEACON signal on the decode trace Z1 using either the front panel Cursor button or the Cursor drop-down menu. Then, further zooming the Z1 trace into Z3 allows the cursors to be moved and placed with much greater accuracy at the beginning and end of the BEACON. Ideally, the cursors should be placed at the logic switching threshold. The cursor time readout appears in the lower right corner of the screen under the timebase annotation box, reading 2.0820 µs. This is consistent with the 10Base-T1S specification that the BEACON duration be 20 clock cycles. At 10 MHz, this works out to 2 µs.

BEACON to Packet

A more commonly required measurement is the time from the end of the BEACON to the beginning of a packet sent by a node. This represents the time latency to the Transmit Opportunity (TO) for the node, in our example Node ID# 3. Figure 3 shows the measurement setup.

The Time column of the table can be used to estimate the delay from the end of the BEACON to the beginning of the Node 3 packet. This is the difference between the start of the Silence that follows the BEACON and the Start of Stream Delimiter (SSD). The Silence begins at -84.2 µs and the SSD begins at -72.91 µs, a difference of 11.29 µs.

The cursors can be used as before, only this time, due to the length of the packet, two zooms are used to see both the end of the BEACON (Z3) and the beginning of the packet (Z4) with sufficient resolution to place cursors accurately. The significant measurement points on the zoom traces are aligned with the measurement points on zoom trace Z1. The measured time difference is 11.2128 µs.

Time differences between any fields of the decoded signal can be measured with cursors in this manner.

Cursors on two zooms used to measure time delay from end of BEACON to
    start of packet.

Using Serial Bus Measurements to Measure Timing

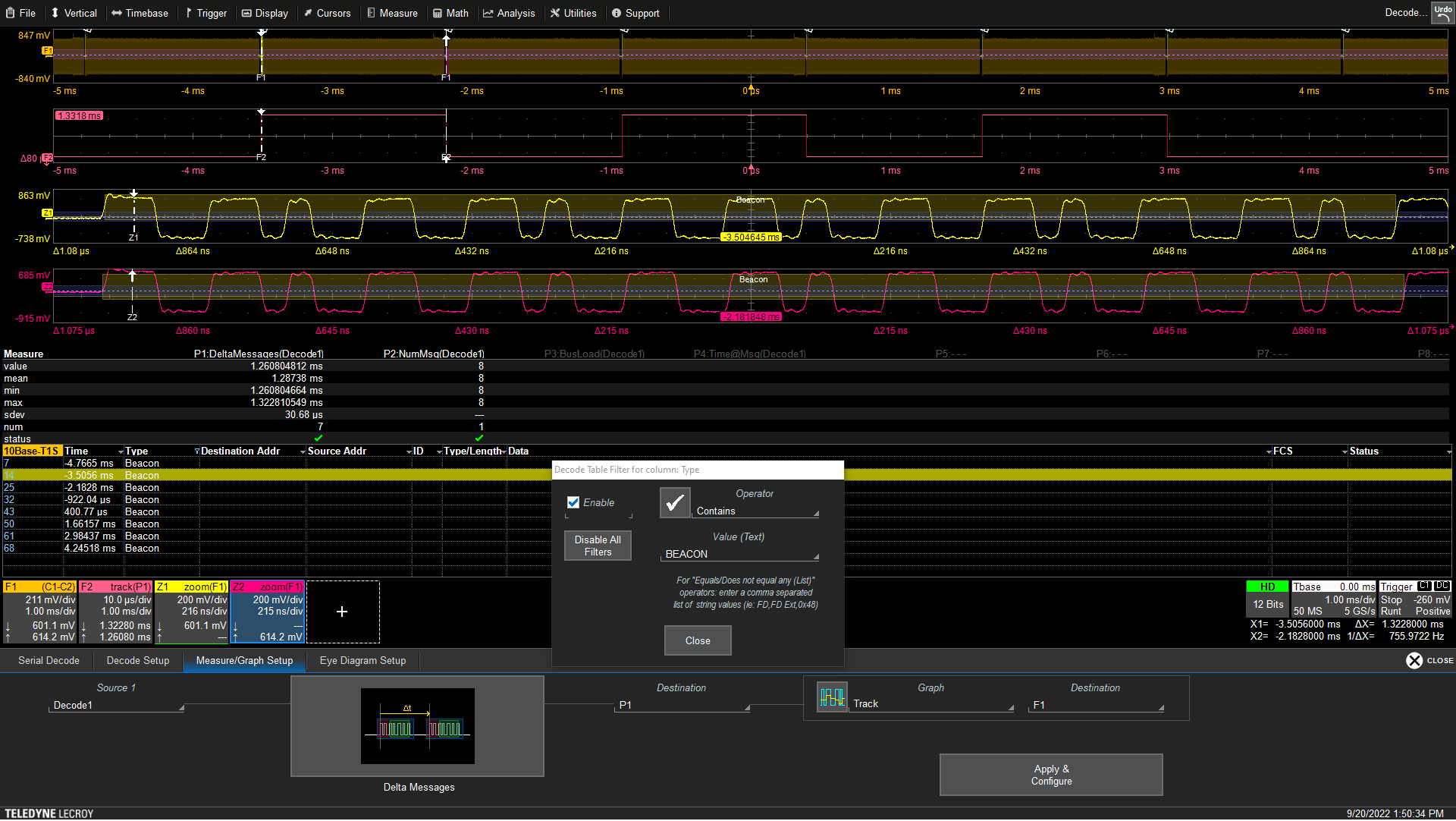
The 10Base-T1S TDME option includes 10 serial bus measurement parameters that can be applied to decoded serial data streams. Of particular interest for 10Base-T1S is the Delta Message parameter, which can be used to measure time between BEACONs. To do this, first filter the decoder table to show only Type BEACON by clicking the symbol in the Type column header, then entering your filter criteria (e.g., Contains BEACON).

Once the table is filtered, open the Measure/Graph tab and set up the Delta Message parameter, using the active Decode n as the source. In Figure 4, the time measured between BEACON transmissions is a minimum of 1.2608 ms, maximum of 1.3228 ms, and mean value of 1.28738 ms.

Measurement results

The Measure/Graph tab also allows you to optionally graph measurement results as a track, trend, or histogram. In this example the track function is selected and routed to math trace F1. Each measured delay value is plotted time synchronously with the acquisition in the F1 math trace.

10Base-T1S Eye Diagrams

The eye diagram is a general-purpose tool for analyzing serial digital communications signals. It shows the effects of additive vertical noise, horizontal jitter, duty cycle distortion, inter-symbol interference, and crosstalk on a serial data stream.

The eye diagram is formed by overlaying repetitive occurrences of slightly more than a single clock period (UI) of a serial data signal on a persistence display which shows the accumulated history of multiple acquisitions, as shown in Figure 5.

10Base-T1S TDME easy eye diagram creation for signal
    integrity analysis.

Due to the use of Differential Manchester encoding (DME), the eye is formed with twice the signal clock rate. The signal shown has a symbol rate of 12.5 Mbps, and the eye is clocked at 25 Mbps.

DME is a bipolar encoding scheme where a logical one is represented by transition (of either polarity) in the middle of a bit period. A logical zero is represented by the absence of a transition during the middle of a bit period. DME encoding is illustrated in Figure 6.

10Base-T1S DME transition of either polarity.

Based on this information we can take a closer look at the 10Base-T1S eye diagram shown in Figure 7.

10Base-T1S eye diagram showing the significant
    eye parameters.

The bit period is 40ns corresponding to the bit rate of 25 Mbps this is the effective symbol rate for the DME signal. The data source for the eye diagram can be user selected to be the entire acquisition or a zoom of a selected data packet.

There are several measurement parameters that help characterize eye diagrams:

Zero Level - The mean value of the logical zero level of the eye diagram.

One Level - The mean value of the logical one level of the eye diagram.

Bit Period - The reciprocal of the effective symbol rate

Eye Amplitude - A measure of the overall amplitude of the eye. It is based on the difference between the simple mean of the one level and the simple mean of the zero level. It is generally measured near the center of the eye.

Eye Height - This is a measurement of the minimum vertical eye opening; basically, a determination of the signal to noise ratio. The measurement is made by taking the difference of the means of the one and zero levels then subtracting three times the standard deviation of each level.

Eye Width -The eye width gives an indication of the total horizontal jitter in the signal. Like the eye height the measurement is statistical in nature. The horizontal histograms of two adjacent crossing points are used to determine the mean and standard deviations of crossing times. Three times the standard deviation of each distribution is subtracted from the difference of the two mean values.

The eye height and eye width when enabled for the 10Base-T1S eye diagram in the figure are displayed immediately below the eye diagram.

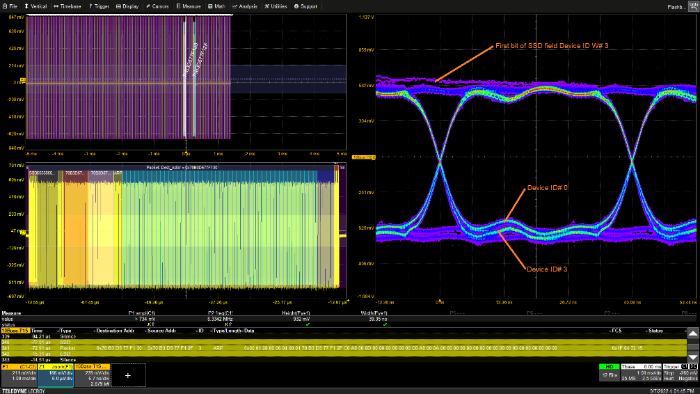
The vertical opening of the eye is affected by vertical related elements like additive noise and cross talk and other interfering signals as well as gain differences between devices on the bus. As an example of these vertical effects, consider the eye diagram of a 10Base-T1S packet shown in Figure 8.

10Base-T1S eye diagram showing two vertical effects.

This eye diagram is using color persistence where the more frequent occurrences appear in the brighter colors. The violet trace (samples with a low occurrence rate) at the top has a high one level related to the first bit in the SSD field of Node ID #3. It is a zero and so appears as a double width segment.

The other thing to notice is that the zero levels of the two nodes on the bus do not match exactly. The node with ID #0 has a higher zero level, which has the effect of decreasing the eye height. The measured eye height of 932 mV and eye width of 39.35 ns includes data from both nodes.

The eye diagram shown is based on the full acquired signal and sees both nodes on the bus. The user can elect to generate the eye diagram for only the displayed zoom trace associated with the selected packet in the decode table, rather than the full acquisition. In this way, the source of any aberrations noted in the full acquisition can be isolated, first by selecting a specific packet, then shifting the zoom trace horizontally until the aberration disappears.

The horizontal closure of the eye is the result of timing uncertainty. Timing jitter whether random, periodic or inter-symbol interference will tend to close the eye horizontally. Both nodes have common timing with no apparent horizontal differences.

Conclusion

Teledyne LeCroy's 10Base-T1S TDME option is a powerful tool for testing 10Base-T1S Automotive Ethernet. It provides the ability to read and interpret data, make bus timing measurements, and evaluate the signal integrity of a multidrop bus.