示波器提供强大的功能来调试与频率相关的影响。 快速傅立叶变换 (FFT) 长期以来一直是示波器工具箱的一部分。 现在,可以使用类似频谱分析仪的功能来简化示波器的设置和使用,以分析频率相关效应。 它允许熟悉 RF 频谱分析仪的用户开始使用 FFT,而无需关心设置 FFT 的细节。 设置简单——选择中心频率、跨度和分辨率带宽,示波器所需的采样率和时域采集长度会在后台自动确定。 还提供正常或平均 FFT 的设置以及参考电平和比例。 然后,为频谱显示选择操作模式(正常、平均或最大保持)。 也可以进行参考电平和比例的其他设置。 使用频谱分析仪模式,用户无需将示波器采样率、内存和采集长度设置转换为频域相关单位。
自动峰值检测功能可识别光谱中的最高峰值,在显示屏上标记它们并构建所有峰值的交互式表格。 只需触摸表格即可按频率或幅度对峰值进行排序,选定的峰值可以快速移动到显示屏的中心。 该表还显示了可能不明显的明显频率峰值。
除了频谱显示之外,频谱分析仪模式还包括一个频谱图显示,可以 2D 或 3D 显示,显示频谱如何随时间变化的历史记录。
按前面板按钮打开频谱分析仪模式。
Spectrum Analyzer 对话框,如图 1 所示,包含所有易于进行频域分析的控件。

显示频谱分析仪主要控件的频谱分析仪对话框
用户可以从任何输入通道、数学、内存或缩放轨迹中选择源轨迹。
频谱分析仪选项的主要控制是中心频率和跨度,就像射频频谱分析仪一样。 Center 和 Span 类似于调整 FFT 迹线的位置。 每个设置的值都可以通过屏幕键盘轻松输入。 用户界面报告可以观察到的最大频率,这是当前示波器采样的二分之一。

时域信号正下方的频谱基本视图
或者,Start Stop 提供了另一种调整 FFT 迹线位置的方法。 开始和停止频率可以用键盘指定,类似于中心和跨度。
Resolution Bandwidth 相当于改变Timebase 设置来增加或减少FFT 模式下的内存。 降低分辨率带宽等于更多内存。 如果输入的值无法实现,频谱分析仪会报告分辨率带宽的调整值。 默认设置是自动设置分辨率带宽,正如被选中的自动复选框所确认的那样。
主要的垂直刻度控件是输出(类型)、刻度和参考电平。 输出类型可以是 dBm、dBVrms、dBmV、dBµV、Vrms 和 Arms(如果电流探头是源)。
参考电平以匹配输出类型的单位设置屏幕顶部的振幅。
刻度与在 FFT 模式下调整垂直增益旋钮相同,并以每格 dB 或伏特/格为单位设置刻度,以适合输出类型选择。
有 Normal、Average 和 Max Hold 三种工作模式。 正常模式显示源迹线的功率谱。 在平均模式下,用户可以输入要平均的光谱数。 平均可有效降低信号噪声以查看更多谐波或载波细节。 最大(峰值)保持模式对于扫描频率测量很有用,它显示了频率轴上峰值的历史记录。 Max Hold 显示信号达到的最大电平。 它还可用于查找不常见的杂散。
Persistence On 复选框控制频谱显示上的显示持久性。 在持久性打开的情况下,将显示类似于 RF 频谱分析仪上显示的多个频谱的历史记录。
Show Source 和 Show Zoom 复选框可以分别查看时域源迹线和源迹线的缩放。 在图 1 中,Show Source 框被选中,通道 1 显示被显示。 源迹线和缩放迹线将分别出现在各自的网格中。
Window 允许用户指定用于 FFT 的加权窗口。 选择是冯·汉恩(Hanning)、汉明、平顶和布莱克曼·哈里斯。 图 3 显示了每个可用加权函数的频谱形状比较

四个加权函数的频谱形状比较
频谱分析仪固有地显示出宽动态范围。 大多数 8 位示波器只能在可以显示 48 或更多 dB 动态范围的频谱上提供 80 dB 的动态范围。 12 位示波器允许高达 72 dB 的动态范围。 图 4 显示了一个示例。此处信号的谐波比满量程低 68 dB。 使用 8 位示波器,如果不进行平均,它们将是不可见的。

分辨率大于 12 位的信号示例。 8 位示波器的本底噪声比满刻度低约 50 分贝,从而掩盖了谐波
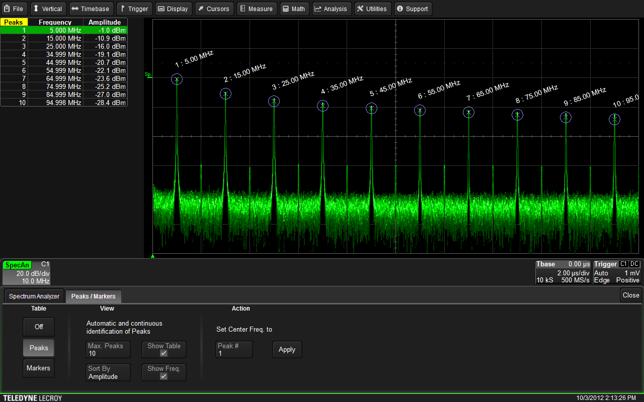
Peaks/Markers 选项卡(如图 5 所示)提供了一种在质谱图中查找和标记多达 100 个峰以及设置多达 20 个标记的简便方法。
按下 Peaks/Markers 选项卡上的 Peaks 按钮可以打开自动峰值检测和标记,如图 5 所示。使用此功能最多可以跟踪 100 个峰值。 如果选中 Show Table 复选框,将打开一个表格,显示 Max Peaks 数字输入字段中请求的峰数。 表中的峰可以按排序依据字段中选择的频率或振幅排序。 峰通常按表中所示的峰编号列出。 选中 Show Freq 框将为每个峰添加频率读数。

设置峰的自动识别
在 Peaks/Marker 对话框的 Action 区域中,可以选择任何峰并通过按 apply 将其移动到屏幕的中心。
频谱分析仪选项能够添加多达 20 个用户设置的标记。 在如图 6 所示的 Peak/Markers 对话框中按 Markers 按钮可以访问 Marker 控件。标记在频谱显示中显示为蓝色倒三角形。 标记频率位置和振幅总结在附表中。
标记视图快捷按钮提供了一种简单的方法来查看常见位置的标记,例如峰值、谐波或在频谱上按频率均匀分布的五个默认标记
标记控制允许手动设置最多 20 个可用标记中的每个标记的位置。 该表链接到标记,选择一个条目可在标记控制标记字段中设置标记编号。 滚动按钮允许将所选标记设置为下一个峰值位置(左右扫描)或下一个幅度值(上下扫描)。 通过按将中心频率设置为标记按钮,可以将频谱显示的中心频率设置为所选标记。 同样,可以通过按 Set Ref 将参考电平设置为选定的标记幅度。 水平到标记。

在频谱显示上设置多达 20 个标记
Marker Measurements 控制组允许您选择包含在峰值表中的值。 检查参考文献中的显示增量值。 Marker 会将 Delta Frequency 和 Amplitude 列添加到标记表中。 Show Abs Values of All Markers 会导致显示绝对频率和振幅。 这两个按钮是互锁的,因此总是会显示绝对值、差值或两者。
Track All Markers to Ref Marker 将标记的位置锁定到参考标记。 它们将跟随参考标记位置的任何变化。
频谱图显示在单独的显示网格中显示频谱变化的历史记录。 如图 256 所示,在垂直堆叠显示中最多显示 7 个光谱。

二维频谱图显示视图
Spectrum Analyzer 对话框的 Spectrogram 字段中的控件用于打开和配置频谱图显示。 视图框打开或关闭显示。 类型条目允许选择二维 (2D) 或三维 (3D) 显示。 图 7 是单色二维视图,其中光谱幅度与显示强度成正比。 通过取消选中单色复选框,频谱图将按颜色指示频谱幅度。 频谱图字段中的滑块控件控制强度和颜色到频谱振幅的映射。
频谱图的 3D 渲染如图 8 所示。除了强度或颜色分级外,3D 渲染还将频谱幅度显示为垂直显示。

使用颜色分级持久性的频谱图的 3D 渲染
频谱分析仪模式提供了强大的 FFT 分析功能,具有类似于 RF 频谱分析仪的简化用户界面,专用于频域分析。