产品
软件选项

QPHY-HDMI2.1

QPHY-HDMI2.1 测试解决方案搭配 WaveMaster/SDA 8000HD 示波器提供高度自动化且易于使用的解决方案,可根据 HDMI 合规性测试规范 2.1 版执行 HDMI 2.1 源测试。包括 2.1/2.0/1.4b 合规性所需的所有 FRL 和 TMDS 电气测试。

探索 QPHY-HDMI2.1 向下箭头
产品标题图片
  • 产品线选项卡
  • 概览选项卡
  • 兼容性选项卡
主要功能
  • HDMI 版本 2.1(FRL 和 TMDS)和 HDMI 2.0/1.4b (TMDS) 合规性测试规范
  • 简单易用的自动化测试
  • 多通道测试  
  • TF-HDMI-3.3V 提供的专用信号上拉适配器可使用电缆进行全带宽测试
  • 强大而灵活的分析工具提供无与伦比的连接示意图,有助于确保您在第一次尝试时获得正确的设置
  • QualiPHY 报告生成创建包含所有相关测试信息

更快的 HDMI 2.1 源合规性测试
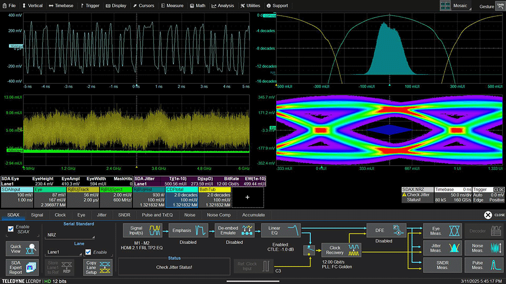
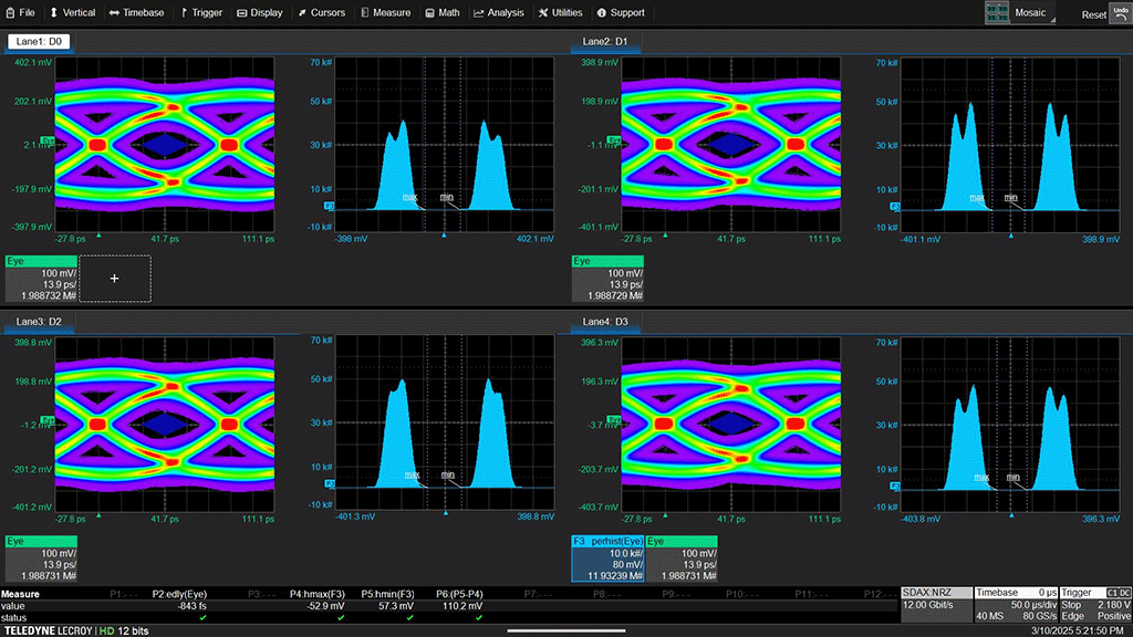
qphy-hdmi2.1 一致性测试

HDMI 2.1 规范要求以 80 GS/s 的速度测试多达四个差分通道。用户必须在示波器和被测设备之间建立必要的连接,配置示波器,执行测试,并将结果与​​合规性规范中的通过/失败限制进行比较。QPHY‑HDMI21 为您完成所有这些步骤,并采用经过优化的分步程序,以实现更快的测试时间。

全面且易于阅读的测试报告
qphy-hdmi2.1 一致性测试

测试完成后,QualiPHY 会创建一份 HTML 或 PDF 格式的综合报告。 该报告包含测试结果的摘要以及在 DUT 上执行的每个测试的详细信息和屏幕截图。

高效的自动化测试脚本
qphy-hdmi2.1 一致性测试

HDMI 需要进行许多连接更改才能捕获所需的所有单信号和差分信号。就其本质而言,这需要在被测设备和示波器之间移动和重新连接电缆。QPHY-HDMI21 以更有效的方式引导用户完成所有测试,并在整个过程中提供连接图,以减少因设置错误导致的故障。

SDA 专家分析信号完整性调试
qphy-hdmi2.1 一致性测试

使用 QPHY-HDMI21 时,用户可以在测试过程中选择“出现故障时暂停”;这样用户就可以使用示波器的任何工具进一步调试,并在完成后单击按钮恢复测试。SDAX Expert 分析软件 (SDAX-Complete) 提供从 TP1 到 TP2 的完整分析,以快速识别发射机信号完整性故障的根本原因。

 

WaveMaster 8000HD


  了解更多
LabMaster 10 Zi-A 示波器


  了解更多