
电力电子
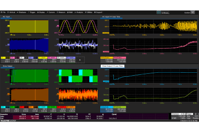
适用于单相 + 开关电源、三相功率分析、电机驱动分析、电源完整性和功率器件分析的软件选项

嵌入、去嵌和仿真
与 SDA Expert 串行数据抖动分析和其他软件一起使用,嵌入或去嵌串行数据通道、电缆或传输线并仿真接收器均衡。

MAUI Studio
使用装有 MAUI Studio 的 PC,随时随地释放 Teledyne LeCroy 示波器的强大功能。 使用 MAUI Studio Pro 精确复制您的示波器设置并提供远程连接,更好地协作并提高工作效率。
QualiPHY 2 和 QualiPHY 一致性测试框架
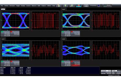
QualiPHY 自动一致性测试框架对高速串行总线和其他接口执行标准化物理层测试。

跨层分析
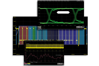
CrossSync PHY无缝整合了 Teledyne LeCroy 协议分析仪和示波器的功能 - 提供其他仪器无法提供的链路行为洞察力。

DDR 调试与合规性
使用正确的工具快速测试双倍数据速率 (DDR) 和低功耗 DDR (LPDDR) 设计的每个阶段(从初始启动到 JEDEC 合规性测试),加快最终产品的开发进程。
汽车以太网
QualiPHY 以太网一致性软件选项为 IEEE 和 OPEN Alliance 标准提供一致性测试支持。
MIPI
QualiPHY MIPI 合规软件选项提供 MIPI 联盟定义的合规性测试。
802.3以太网
QualiPHY 以太网一致性软件选项为各种 IEEE 以太网标准提供一致性测试。
数据存储
针对磁盘驱动器应用的专业测量、分析和合规性








