主要功能
	
		- 
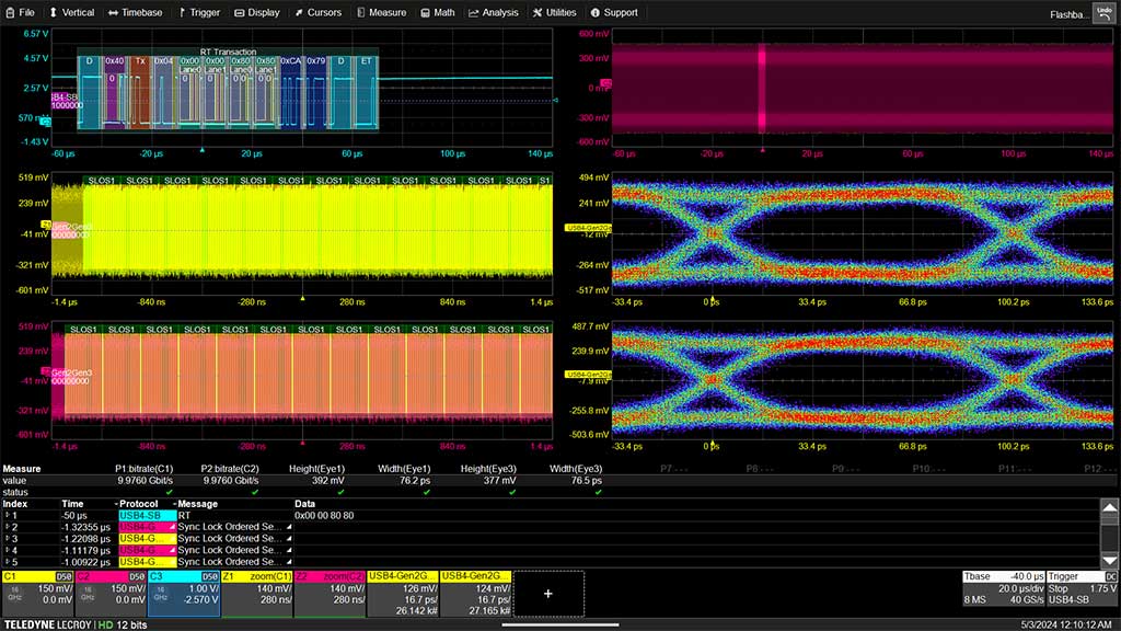
			捕获和解码 USB4 和 Thunderbolt™ 链路训练协议
- 
			USB4 和 Thunderbolt SLOS 眼图测量
- 
			独立使用或与 USB4 USB4-SB TDMP 共同用于 USB4 PHY-逻辑层调试
- 
			直观的颜色编码叠加层和注释
- 
			具有缩放和码型搜索功能的交互式协议表格
- 
			结合 Voyager M4x 协议训练器/分析器和 USB CrossSync PHY 可实现“全堆栈”可见性
		 
	
		具有缩放和码型搜索功能的交互式协议表格
	 
	
		只需单击协议表中感兴趣的数据包,即可创建波形的缩放窗口,其中彩色编码覆盖层显示数据包类型、命令类型和消息详细信息。
	
		USB4 Type-C 高速和边带测试夹具
	 
	
		TF-USB-C-HS 测试夹具实现了业界唯一的示波器触发 USB4-SB 信号并同时捕获有效链路上高达 20 Gb/s 的高速数据。
	
		单独使用 USB4bus DME 或与 USB4‑SB TDMP 软件一起用于 PHY 逻辑层调试
	 
	
		使用 TF-USC-C-HS (USB4 高速和边带测试夹具 )、DH 系列差分探头、USB4bus DME 和 USB4-SB-TDMP 软件对 PHY 链路层训练失败进行调试,主要针对 USB4 Thunderbolt 路由器、重定时器与有源电缆。
	
		眼图测量
	 
	
		USB4bus DME(解码、测量/图形和眼图)软件通过恢复解码符号上的时钟来实现眼图测量,用于评估发射端在链路训练期间向接收端发送 SLOS(符号锁定有序集)时的高速信号质量。