Edit page title Teledyne LeCroy - 串行数据 - Optical-LinQ
Edit meta description Teledyne LeCroy 是示波器、协议分析仪和相关测试和测量解决方案的领先供应商,使各行各业的公司能够设计和测试所有类型的电子设备。

Close edit interface
Oscilloscope
Certification
Contact Us
  • Buy
    Buy
  • Sign in to your
    Teledyne Lecroy account

    Sign In
    "> ">
    ">
  • Protocol Analyzers & Accessories
  • Contact Us
  • ">
    ">

    登录到您的
    Teledyne Lecroy 帐户

    登录
    产品
    软件选项

    Optical-LinQ

    用于分析光调制信号的世界领先的 OpticalLinQ 软件现在可以与任何相干光接收器(包括 Teledyne LeCroy IQS 系列接收器)一起使用。 用户可以选择各种分析视图和参数测量,以全面了解其光信号路径。

    探索 Optical-LinQ 向下箭头
    产品标题图片
    • 产品线选项卡
    • 概览选项卡
    • 兼容性选项卡
    主要功能
    • 内置色散补偿、偏振解复用和载波恢复算法
    • 支持 DP-QPSK、DP-16QAM 和各种其他 PSK 和 QAM 格式
    • 支持自定义调制格式
    • 自定义 MATLAB 代码的无缝集成


    无缝软件集成

    Optical-LinQ 是一个直观且完全集成的软件包,用于分析光调制信号。它完全在LabMaster 10Zi-A的用户界面中运行。市场上没有其他OMA提供如此集成的示波器和相干接收器控制。

    Optical-LinQ 提供对 IQS 接收器的全自动控制、相位恢复算法、偏振解复用以及详尽的调制分析显示和参数。

    自定义 DSP 算法验证

    数字信号处理 (DSP) 算法的测试和验证是收发器开发的重要组成部分。 OpticalLinQ 配备内置 DSP 算法,例如 CMA、MMA、Viterbi 和 Viterbi,供您用作经过测试的参考算法。 自定义代码集成功能允许您以 MATLAB 格式使用和验证您自己的算法。

    分析观点

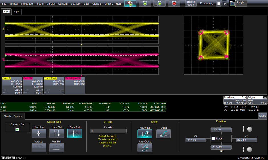
    使用 Optical-LINQ 广泛的可视化选项列表,以您想要的方式显示信号:

    • I vs. Q 星座图
    • I vs. Q 轨迹
    • 参考符号
    • 眼图
    • Q眼图
    • 强度眼图
    • 相位眼图
    • EVM % 眼图
    • 恢复I 与时间
    • 恢复 Q 与时间
    • 强度与时间
    • 相位与时间
    • EVM % 与时间
    • 相位误差与时间
    • 载波相位与时间
    • 电场频谱
    • I 频谱
    • Q 频谱
    • S1、S2、S3 极化状态
    • 原始 I 与时间
    • 原始 Q 与时间
    • 校准缓冲 I
    • 校准缓冲 Q


    参数测量

    OpticalLinQ 包括量化信号路径和调制健康状况所需的参数测量。 选定的测量值以表格格式显示,可以轻松保存以供存档和进一步分析。

    参数测量列表
    • 误差矢量幅度
    • Q因子
    • 误码率估计
    • I 偏移误差
    • Q 偏移误差
    • 正交误差
    • IQ 偏差
    • IQ 偏置
    • IQ 失衡
    • 频偏
    • 幅度误差
    • 相位误差
    • 偏振模色散
    • XY 斜率
    • 偏振相关损耗


    WaveMaster / SDA / DDA 8 Zi-B 示波器


      了解更多
    LabMaster 10 Zi-A 示波器


      了解更多